Notice
Recent Posts
Recent Comments
Link
| 일 | 월 | 화 | 수 | 목 | 금 | 토 |
|---|---|---|---|---|---|---|
| 1 | 2 | 3 | 4 | 5 | 6 | |
| 7 | 8 | 9 | 10 | 11 | 12 | 13 |
| 14 | 15 | 16 | 17 | 18 | 19 | 20 |
| 21 | 22 | 23 | 24 | 25 | 26 | 27 |
| 28 | 29 | 30 | 31 |
Tags
- 백준 11050번
- Python
- 파이썬
- 문제 풀이
- 실버
- 백준 1487번
- 챗봇
- 알고리즘
- CSS
- hashing
- N과 M
- 한반도평화와공공외교
- 풀이
- 1141번
- B-tree
- 주창형 공공외교
- BTREE
- DP 알고리즘
- 0의 개수
- html
- 백준 14501번
- 연산자 문제
- 이항계수
- 백준
- 백준 1246번
- 해설
- 풍선터뜨리기
- 1
- 해싱
- 가치규범의 공공외교
Archives
- Today
- Total
SunFly의 코딩 및 정보 블로그
B+tree 삽입(Insertion) 알고리즘 - 3(Type-2 삽입) 본문
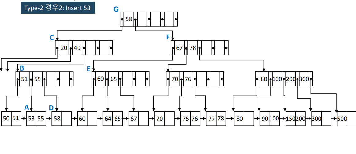
※ 맨 아래층이 아닌 인덱스 노드로의 삽입 : type-2
- curr가 맨 아래층보다 위의 층의 노드이며 여기에 삽입하는 경우
- B-tree의 삽입과 동일한 방식으로 일어남.
- 다만, 사용할 포인터 필드는 ptri 이다. (즉, index node에 대한 Pointer를 저장하는 필드.)
- Case 1: 빈자리가 있는 경우 : 순서에 맞춰 삽입하고 종료
- Case 2: 빈자리가 없는 경우 : overflow 발생
● Case 1: 빈공간이 있는 경우



● Case 2: 빈공간이 없을 경우




※ 삽입 과정에서 부모 주소의 관리 : Stack 이용
- 삽입과정에서 데이터노드를 찾아가는 과정에서 각 노드의 Pointer를 stack에 저장
- 인덱스 구조의 Root에서 시작
- 아래로 내려갈 때마다 그 직전에 노드의 주소를 stack에 push한다.
- 결국 데이터 노드에 도달하면 stack에는 데이터노드의 부모부터 Root노드까지의 경로 상의 모든 노드들의 주소가 저장됨.
- 부모 노드가 필요하면 stack에서 pop하여 사용 가능.
'알고리즘' 카테고리의 다른 글
| Hashing(해싱)이란?(Deletion) (0) | 2021.11.29 |
|---|---|
| Hashing(해싱) 이란?(Insertion) (0) | 2021.11.28 |
| B+Tree 삽입(Insertion) 알고리즘 - 2 (Type-1 삽입) (0) | 2021.10.12 |
| B+Tree 삽입(Insertion) 알고리즘 - 1 (0) | 2021.10.12 |
| B+Tree 알고리즘이란? (0) | 2021.10.11 |